Chat with us, powered by LiveChat

TOKIMEC P**V Piston Pump

Boost Your Performance with the TOKIMEC P**V Piston Pump

The TOKIMEC P**V Piston Pump is a hydraulic pump with high performance, built by LOYAL INDUSTRIAL PTE. LTD., designed for use in harsh environments and maximum efficiency. The PV series is developed through the utilization of advanced engineering techniques, which allows them to be highly durable yet operate at their optimal capacity even as the pressure varies. It is equipped with innovative pistons that reduce wastage of energy while increasing the output hence it can easily be used in any industry machinery requiring constant generation of hydraulic power supply. Furthermore, its compactness enables easy fixing and compatibility into already established systems that are dedicated to customer satisfaction guaranteed by LOYAL INDUSTRIAL’s confidence in product quality too.

Whether one needs it for construction, manufacturing or agriculture purposes, no other piston pump performs better and is more reliable than TOKIMEC’s P**V model.

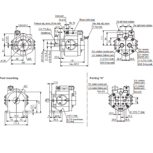
TOKIMEC Piston Pump P**V
  • logo

    Features of P**V Series Piston Pumps by Tokyo Keiki Inc

  • Silent Operation: they are made to function in silent mode for those places where noise reduction is more important.
  • High Performance: they can perform excellently with efficient power use, guaranteeing reliable operation even under challenging conditions.
  • Reliability: this is because their construction involves using high-quality materials and engineering precision.
  • Pressure Compensator Control: Enhances stability and response by maintaining a set pressure while delivering automatically adjusts.
  • Load Sensing Control:This helps optimize energy utilization by keeping differential Pressure constant across the flow control valve.
  • Energy Efficiency:The design minimizes energy consumption by adjusting the pump’s output to precisely meet the required level and reducing needless power usage.
TOKIMEC Piston Pump P**V
TOKIMEC Piston Pump P**V
TOKIMEC Piston Pump P**V
TOKIMEC Piston Pump P**V

Summary of Control Methods and Adjustments

Pressure Compensator Control: Maintains set pressure by adjusting delivery.
Load Sensing Control: Optimizes flow and pressure based on load requirements.
Remote and Proportional Controls: Allows for remote and precise pressure adjustments.
Multi-Stage Control: Provides flexibility with multiple pressure settings.
Electric Direct Control: Enables precise flow and pressure control using electric signals.
Dual Pressure Control: Adapts to varying operational needs with automatic mode switching.
Adjustments: Fine-tuning of displacement and pressure to meet specific application needs.

Configurations of P**V Series Piston Pumps

Hydraulic Fluid Types:

  • Omit: Mineral oil-based fluid
    F11: Water glycol-based fluid

Swash Plate Type Variable Displacement Piston Pump Models:

  • P16VM
  • P21VM
  • P16V
  • P21V
  • P31V
  • P40V
  • P70V
  • P100V
  • P130V

Pump Mounting Options:

  • F: Foot mounting.

Rotation (Viewed from Shaft End):

  • R: Right rotation (clockwise).
  • L: Left rotation (counter-clockwise).

Double Pump Configurations:

  • Integrated fixed vane pump (available for P70V, P100V).
TOKIMEC Piston Pump P**V
TOKIMEC Piston Pump P**V

TOKIMEC Piston Pump P**V Specifications

ModelMax Working Pressure (MPa)Displacement (cm3/rev)Max Speed (min?1)Min Speed (min?1)Weight (kg)
P16VM2116180060016
P21VM2121180060017
P16V2116180060016
P21V2121180060022
P31V2131180060023
P40V2140180060037
P70V2170180060063
P100V21100180060091
P130V211301800600112

The P**V series can handle pressures up to 280 bar, making it ideal for heavy-duty applications that require constant high pressure.

TOKIMEC Piston Pump P**V
TOKIMEC Piston Pump P**V
  • logo

    Your Reliable Partner in Quality Services: Loyal's Commitment to Excellence

LOYAL INDUSTRIAL PTE. LTD is committed to providing exceptional customer service and TOKIMEC Piston Pump P**V support. Our service commitment includes:

  • Complete Assistance: Our experienced technicians are ready to help you with installation, maintenance, and troubleshooting so that your pump’s performance is maximized.
  • Prompt Reaction Time: The faster we respond with solutions to your problems or repair requests, the less time our customers will lose in industrial operations.
  • Quality Control: We assure that any such services or parts provided correspond to the high-quality benchmarks of the TOKIMEC brand name,, leading to reliability and sound output.
  • Regular Tune-ups: Our customizable maintenance programs ensure smooth operations of your P*V series pumps, thus boosting their lifespan and general performance.
  • Client Orientation: To facilitate your running and caring for the TOKIMEC Piston Pump P**V, we also provide a variety of training and materials on best practices that can assuage safety concerns while maximizing energy utilization.

With LOYAL INDUSTRIAL, you can have confidence that your pumping solutions come from a company whose hallmark is excellence in serving its clients.

TOKIMEC Piston Pump P**V Catalog

ModelTOKIMEC Piston Pump P**V PriceContact Us
P16V-LS-11-ECG-210-10-S100-J$3062.00-$4902.00Inquiry about this Part
P40VZR-12-ESS1-40-21$3197.00-$3397.00Inquiry about this Part
P15V-RS-10-CM-10-J$2578.00-$4653.00Inquiry about this Part
P16V-RS-11-CMC-10-J$4339.00-$4487.00Inquiry about this Part
P16VMR-10-EP-D-10-S139-J$3490.00-$3600.00Inquiry about this Part
P16VMR-10-CMC-20-S121-J$3380.00-$4439.00Inquiry about this Part
P31VL-20-EP-T-21-S138-J$3757.00-$4755.00Inquiry about this Part
P16V-RSG-11-CMC-10-S67-J$3283.00-$4887.00Inquiry about this Part
P16V-RS-11-CC-10-J$4219.00-$4793.00Inquiry about this Part
P21VMR-10-CC-20-S121B-J$2618.00-$3124.00Inquiry about this Part
P16VMR-10-MC2C-BC-P2-V-20-S113-J$3234.00-$4057.00Inquiry about this Part
P31VFR-13-C-11-J$3068.00-$3474.00Inquiry about this Part

Get In Touch

If you’re interested in exploring a range of high-performance hydraulic pumps, and you’re looking for a brand that matches the quality and reliability of industry leaders, consider LOYAL.
Interested in learning more about our products and how they can benefit your operations? Visiting our official website or reaching out to our customer service team through official channels will provide you with all the information and assistance you need.
Choose LOYAL for reliable, efficient, and innovative hydraulic solutions tailored to meet and exceed your expectations.

Latest Articles ※

Understanding the Cost of Hydraulic Pump Repair and Replacement
Understanding the Throttle Valve Diagram: Components and Functions Explained
Understanding How a Pilot-Operated Relief Valve Works

Related Topics About Hydraulic Pump

TOKIMEC Piston Pump P**V: Common Queries

 With its unique piston design, the pump minimizes energy loss, resulting in reduced operating costs and increased overall efficiency.

Q: What applications are Tokimec piston pumps used for?

A: Tokimec piston pumps are widely used in various industrial and mobile hydraulic applications, including machinery requiring precise hydraulic control, such as construction equipment, manufacturing systems, and more.

Q: How do Tokimec piston pumps minimize noise?

A: Tokimec piston pumps are designed with low noise characteristics by optimizing the cylinder and piston design, material selection, and advanced noise reduction features incorporated into the pump’s construction.

Q: What is the benefit of pressure compensator control in a Tokimec piston pump?

A: The pressure compensator control maintains consistent hydraulic system pressure by automatically adjusting the pump’s displacement, ensuring efficient energy use and protecting the system from excessive pressure variations.

Q: What maintenance services are typically required for a Tokimec piston pump?

A: Regular maintenance services for a Tokimec piston pump include checking for contamination and wear, replacing filters, ensuring proper lubrication, and inspecting seals and other components to ensure optimal performance and prolonged pump life.

Q: How do environmental factors affect the performance of a Tokimec piston pump?

A: Environmental factors such as temperature, humidity, and contamination can impact the performance and lifespan of a Tokimec piston pump. Proper installation, regular maintenance, and the use of suitable hydraulic fluids help mitigate these effects.

Q: What types of Tokimec piston pumps are available?

A: Tokimec offers various types of piston pumps, including the P**V series, PH**F series, and other high-speed, double, triple, and fixed displacement models, each designed for specific application requirements.

Scroll to Top
Get in touch with us
Leave a message
Contact Form Demo